A list of any memorable (or annoying) repairs that I may have done, in the hope that someone else may find the answer to their problem!
![]()
No Sound. Signal at output of SN76477 pin 13, follow through to input of sound amp, though output until we reach electrolytic capacitor to decouple connection to speaker. Signal going in, nothing coming out - replace capacitor sound back to normal.
Glitched graphics, changes as board is flexed. Moved around board pressing chips until pressing the custom surface mount chip at B6 changed the effect. Noticed that the corner most pins had come up from the board. After an unsuccessful effort to resolder them, I used some enameled 38 swg wire to solder from the affected pins across to a convenient point on the tracks. Having completed this the graphics are back to normal. The wire is very delicate, and located where someone was likely to grab the board to disconnect the jamma connector, so the work was then covered in some hot melt glue to protect it.
This is the converted moon cresta board. The IC at 1.2S (shoehorned in sideways between rows 1 and 2 by the sprite ram) was missing. This was not featured on any schematics I had, so I traced the connections to see what it could be. It basically takes the output from the sprite rams via 1U and passes them on to the usual connections. The purpose of this may not initially be obvious, but it allows you to invert the signals being output from the sprite ram. If you use D2125 ram, then you put a 7404 into this slot to invert the output. If you use 27LS00 sprite ram then you use a 7407 instead.
No display - but when move board, display flickers - go around board pushing each chip in turn, when press on 2E picture appears. Pin 16 rusted, only just in place. replace chip - picture back to normal.
No star display. Board had been hacked to play an alternate game, pin 15 on chip 2B had been cut. Repairing this restored the stars.
No star display. chips 1A,1B,2D and 3C all socketed. sockets corroded, pins not making contact. remove sockets and solder chips direct to board. Stars returned to normal.
No screen display. Check dot clocks (74161's at 3A,4A,5A and 6A) - nothing on clock pin of 5A and 6A (pin 2). Trace back through 6F, 8L to 7404 at 6E - signal going into pin 5, pin 6 stuck high. replace chip - screen back to normal.
No screen display. Check dot clocks, no activity on 6A. replace this and screen display back to normal.
Mirrored shells. Whenever a shell was dropped, a 'mirrored' version appeared at the correct height, but directly above the base. if no shells dropping, an extra shell appeared below the base. Noticed that when I connected the comparator to the 7474 at 5P, the additional shell disappeared. Replacing this IC made no difference, but adding a bias resistor (1k) from pins 4 to 16 on this chip solved the problem.

On a bootleg PCB, the diving triad of ship and galaxians, the right hand galaxian had no eye's or wings. The sprite ram was OK, and no other galaxians had similar faults. I eventually tracked the problem down as something to do with the 7400 at 2P. When I placed the probe on pin 1 or 5, the eyes reappeared, as did a thin section of the wing. I replaced this chip with a 74LS00, hoping the lower power requirement would help out, but it made little difference. The bootleg board did not match the midway schematics at this point, and instead of the output of the sprite rams being buffered, they were driving the chip directly. There was also a pull up resistor on the output, so I removed this - problem solved! (incidentally, this particular sprite ram had been replaced as it was a different brand to the other 4, so maybe the originals had more drive power)
Constant tone on power up, game looked and played OK, but no start tune. checked output of latch (9J) - all low (usually all high for silence) - check for activity on chip select (pin 11), nothing - trace back to decode chip (74138 at 8M) - no signal being generated. replace chip, sound back to normal.
Game goes through ram tests, sometimes sprite check and checkerboard, but then resets and starts all over (even with watchdog disabled) other times does screen ram test then sits on blank screen with stars. Pin 17 of z80 floating, check 7474 at 6F, no output - replace chip, game now runs.
Characters all two coloured, top couple of lines one colour, rest of character another. I examined the output of various chips using the video probe, and when I came to the 74194's at 2H - 2L, pin 15 showed the characters being output. However, on 2J only the top two lines of each character were being output. Replacing this chip solved the problem.
Colours looked OK in ram tests when board switched on, but all game characters in same colour, no scrolling of galaxians or base, no missiles or shells. Pin 10 on 5E had the track cut - normally connects to GND, but left floating in this case. (Thanks Phil!) - seems to be a common hack, in this case on an Artic cartridge system board.
Sprites showing lower half twice (instead of upper half and lower half). Looking at schematics 3B exclusive or's the original address line for the sprite generation with the horizontal 8 line. Output from this chip was always low. replace chip, sprites back to normal.
Wrong colours, but not all wrong - a lot looked correct, but some things, like the ships that sit on top of the galaxian horde had the colours back to front (red / blue swopped). I removed the colour prom, and powered the board up. I then used the video probe to see what signals were going to A0-A4 on the colour prom. (You get the shapes that would have used that address line for colouring) From this it was apparent that A3 was always on when a character was displayed. Thinking this unlikely, I chased the signal back through several chips until I reached 3P in the video circuit. The signals in showed the full screen (which was the signal I was getting) and the colour bars (which were being ignored). Replacing the 74LS20 returned colours to normal.
This one passed the memory test on bootup (most of the time), but consistently missed out certain letters on the screen display. Even odder, the missing letters seemed to sometimes appear on the top line of the screen. Phil had already replaced pretty much every chip to do with address decode, buffering and selection, but it still had the same problem. Using the 'video probe' (as mentioned in the Galaxian troubleshooting guide) I looked at the various signals used to control the video memory lockout. CMP BLANK is used to control the address selection to the 2114's, and that looked fine, VBLANK (used in the vram control) also looked normal. The only signal that looked slighty odd was HBLANK - I compared this against a working board and it looked to be enabled for about 8 pixels longer - this reduced the size of the buffer to allow writes to complete before the video started drawing. Following this back to 3D (7474) still had the problem, checking the signals into 3D revealed that one signal was very weak. replacing the chip at 3C (7420) fixed the problem.
Characters on screen all displaying with colour bars - same character drawn in different colour every scanline - random pattern. Scrolling items, such as invader fleet drawn central or in correct place alternating rapidly. Looked like an object ram problem, but ram passed memory test every time. Using video probe I checked out the signals to the object ram, and pins 1 to 4 had correct high signals, but lots of random noise when should be low. Trace back to 74157 at 5E, input signals looked good, but output had noise. Replaced chip and problem solved.
The characters, including sprites, were all 'scrambled', each looked like it was made up of the correct parts, but not necessarily in the correct order. Using the video probe, I traced the drawing circuit to see what was being picked up. n.b. to make it easier to follow, remove the colour prom - that way all you can see on the screen is what you are probing. from this, it was apparent that the wrong data was being supplied from the character roms. checking back the address lines revealed that A0 seemed to be inverted compared to the other signals. replacing the 74283 at 5N put everything back to normal.
Ran through self test OK, came up with chequer board screen and then reset most of the time. Occasionally would start game, but with credit noise continually playing and credits rapidly counting upwards. This is caused by CPU 4 (E5) not running properly. checked the eprom and ram (C5,D5 and E5) and ram was faulty. replace ram chip solved the problem.
See the Gallag (Galaga) page for some other changes to this PCB
No picture, Hole blown through LOPT. Had problems tracking down replacement - little tip given to me by Hantarex engineer - you can use the LOPT from an MTC9000 as long as you cut pin 2 off. (If you leave it connected, you will get a direct short to GND)
Board ID 8016 : Falcon version ?
Static graphics on screen, dead - pin 24 low on Z80, /WAIT signal. Trace signal on board to 74LS74 at E7. Signal incorrect for inputs. Replace with new one, board fixed
Boot up with garbage, quickly clears screen and then nothing. Used Fluke with Z80 pod read rom OK, and write ram OK, but timeout reading any Ram location. Check fluke status and wait always set. Check pin 24 of Z80 stuck low, trace back through 7H,7C,6C1 to 6B1 pin 2 always low, although pin 1 changing. Replace 7404 with new one, now working normally.
Buzzing noise, particularly when lots of bright colours on screen, loudest on white test pattern and main game screen. All boards I have had with this problem use the LA4422 Amplifier Chip. To solve the problem add a mylar capacitor of 100pf in the corner of the PCB at A9. There should be an existing electrolytic in the corner (C24) and near that a ceramic disc capacitor (C23). Remove the track coating from the track going to C23, and parallel to that on the ground track around the edge of the board. Mount the new capacitor on these two tracks where marked on the diagram below.
![]()
(stop press, the amount of track from the corner to the amplifier chip provides enough resistance to create a standard RC filter - if you wish to use this on a PCB where there isn't sufficient track length, simply cut the track and bridge it with a low value resistor)
n.b. To disable the watchdog add a link on pin 1 of 9C to ground. For safety it may be a good idea to also cut the track, otherwise you may take out the 74138 that connects to it!.
The board originally failed to get into the game, instead resetting just after drawing the 'MISSILE COMMAND' logo. Test mode faired a little better, managing to report RAM OK, MAP OK and ROM OK before resetting. Ram and Rom checked out OK using the Fluke. Measuring various CPU signals revealed that the interrupt seemed very random, checking back to the flip-flop used at E7 (7474) was giving an incorrect signal. Replace the chip and the game fired into life.
The aiming cross left a trail, and the red arrows and cities had the same flashing coloured box around them (see picture). Some experimenting with mame revealed that when the cities were drawn it read what was behind them first, as did the moving cross so it could be assumed that the reading of video ram was wrong. However, the video ram had already checked out OK, so it had to be something that was only used for this feature. Missile Command has a couple of hardware blitters that read pixels from separate video banks, and the bank causing the problem returned 2 bits via P7 (74153), R7 (7475) and R6 (74125). P7 checked out OK, but R7 and R6 were not so easy to test - replacing both chips solved the problem.
Boots up, and plays, but incorrect sprites most noticeable little bug changes into END at one point. Check 74ls138 at 8n, controlling graphics banking, and pins strobing. Replace chip and now uses correct sprites.
Quiet missile sound and explosion sound. Both of these effects use the op-amp chip, LM324 at 7T. Replace this chip and noises better, but very noticeable hum all the time. Check voltages on chip GND floating at 2v, follow trace and there was no connection to ground at any point. Adding a strap to the nearby ground trace and sound was back to normal.
Blank screen, Blanking line to output colour proms always enabled. Trace back to 74161 in timing circuit - output stuck, input clock all look OK - replace chip and picture appears.
Blue video only - The video lines are controlled by three transistors near the edge connector, checking these revealed that 2 were not giving any output although inputs were changing. replaced these and full colour restored.
If you put a Mr Do in a normal Jamma cab, then the picture will be upside down. This can be solved many ways, but one is to change the program code - If you wish to use Mr Do in a standard vertical Jamma cab, then you need to Click Here
6 Slot - Memory test on power up giving error
Address Write Read
00008000 5555 55FF
Checking with Mame, the memory chips in question were only small, so looking at the board revealed two DIL 5814's. Chip select signals to these were toggling as expected, so I needed to identify which ram chip was which. Using the test probe I shorted pins 11+12 on one chip, powering on the board now gave read as 51FF so I was looking at the wrong chip. Replacing the other (with a 2018-35) sorted the problem.

Screen filled with coloured lines, unstable, no sync (see above) check clock signals from horizontal and vertical scan generators (74161s at 2R,2S,3R,3S) no signal feeding into pin 2 of horizontal generators. Follow trace back to 7474 at 3N, signal going in, nothing coming out replace chip and screen display back to normal.
Game basically plays OK, but 4 characters on lower blue wall of maze were incorrect, even through ram tested out OK. Problem was more noticable on flipped screen. Using the fluke I identified that the first of the bad characters was memory location $43BF. Writing to $4FBF then showed a character on screen, revealing that the memory select was wrong for these few positions. Checking the memory decode with the comparator showed a problem with pins 9 and 11. Replacing this chip solved the problem.
On power up - black screen, no sign of life at all. I removed the 68000 CPU and fitted a socket, so I could use the Fluke on it. This revealed that the main program ram ($10C000-$10FFFF) was totally dead. Replacing the two ram chips IC25 and IC26 solved this problem.
Board now started up, and displayed corrupt graphics with a lot of video noise in the background. An ABI Boardmaster was used to test several of the TTL chips, and it quickly revealed that the 74LS157 at IC62 was faulty. Replacing this restored the background to a clean black, but the sprites were blocky, and the background characters were unrecognisable.
Further tests using the ABI revealed that all of the 74LS373's were corrupt. These (IC12,IC16,IC18 & IC29) which restored both the sprites and characters to normallity.
Now that the screen could be seen, it was obvious that there were interruptions in the scrolling. Since the game would pause for up to a couple of seconds, but then carry on normally, we traced the interrupt lines from the CPU. These went to a 74LS273 at IC32. Repeated testing with the ABI revealed an intermittent fault on one of the outputs. replacing this chip solved the problem.
Now the game was running correctly, but had no sound, and the colours were wrong. much testing using the ABI did not reveal any possible candidates so I switched to using the trusty logic probe. This identified that the chips used to multiplex the sprite and background colours always had low outputs, but the chips themselves were fine. The selection was driven from the priority PAL at IC33, and this had tested out OK in another board. I checked out the various signals to the bank of 74LS157's and discovered that one of them had a floating pin. This pin was the enable signal, and if it were the same as the other chips in the bank should be permanently low. I added a wire link, and the colours were restored.
The game was now running correctly, but without sound. Probing around the sound section revealed that the Z80 was not running correctly, so the ram for this was replaced. Now the Z80 was running, and the YM2151 was outputting a signal that changed in response to screen activity, but still no sound. Turning the volume up, and applying a signal to the output amp gave a suitable squeal, so I started tracking back from there. The op amp would give a noise when I fed a signal to two of the inputs, but the other two had no effect. Replacing this chip (IC67) returned the sound to normal.
No Sync - no output from IC33 - a custom programmed PAL B22-06. I managed to re-create the required programming, so if you need one, let me know! (it's also the sprite / background priority chip) - info will one day be available from my "Old PAL's" page.
On power up, yellow screen. Socketed 68000, using fluke discovered main ram OK, but could not see shared ram used by C Chip ($800000-$8007ff). Further investigations revealed only one of the three interrupt lines was changing - replacing IC32 (as before) solved this problem, and the board now boots up normally.
On power up, error message Bank Switch Error check address lines, all seem OK. Bank switching controlled by Slapstic. Replaced with new one fixed problem.
Altered Beast - Colours missing, no reds, other colours looked like diminished palette (like windows in 16 colours) - used test mode to perform ram test, and one ram chip identified as faulty (I10). Replaced this and red was back, but still reduced pallette. Looking at colour circuit, and it uses resistor arrays driven by I11 and I12 for colour, and I8 for intensity. Probing these identified several dead outputs, replacing all three returned colours to normal.
Golden Axe - Background graphics and bitmap pictures repeating. i.e. if you divide the screen into 4 horizontally, you got the top bit twice, and then the lower bit twice - looked like an addressing problem on one of the video lines. After much use of the video probe, I discovered that the addressing for the background was generated internally inside one of the custom chips (315-5197) so was about to give up when I remembered that I had a scrap system 16 board where someone had blow torched off a component (a common ram chip!). I carefully removed the custom using a hot air gun (135 pins), and since no damage was done to the scrap board, repeated the task on the board I was trying to repair. After clearing the holes I re-mounted the replacement custom chip. result (surprisingly) - it now works!
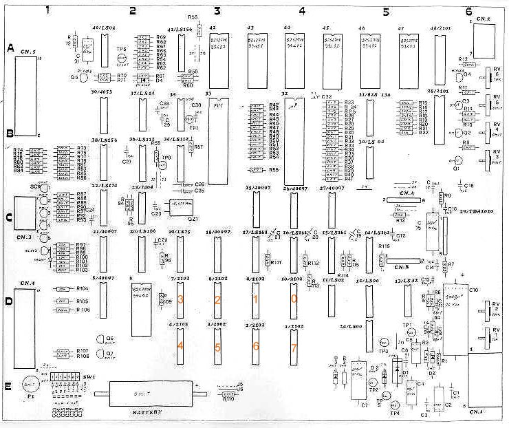
Totally dead, no screen display (blank white screen). For this I used the Fluke Z80-S2650 adapter to check out the ram and rom, and located two errors. The rom mapping was incorrect, with a large range of locations returning random values. Examining the board (since I have no schematics), all of the chip select lines meet up at IC41, a 74LS156. Replacing this put the memory map back to normal (it seems to map all of the RAM and ROM areas). Having sorted the memory map, the Fluke revealed a couple of bit errors in the video ram. Replacing the two 2102 ram chips sorted the problem.
IC positions are marked with the bit number they occupy. (Click picture for bigger version)
oh, and the blank white screen - the chip select for the character rom was high, when someone had replaced one of the video ram chips, they must have damaged the track. Adding a wire link returned everything to normal.